简体
繁体
导航
首页
首页
资讯中心
政府信息公开
政务服务
互动交流
地震常识
群测群防
当前位置:
首页
>
资讯中心
>
通知公告
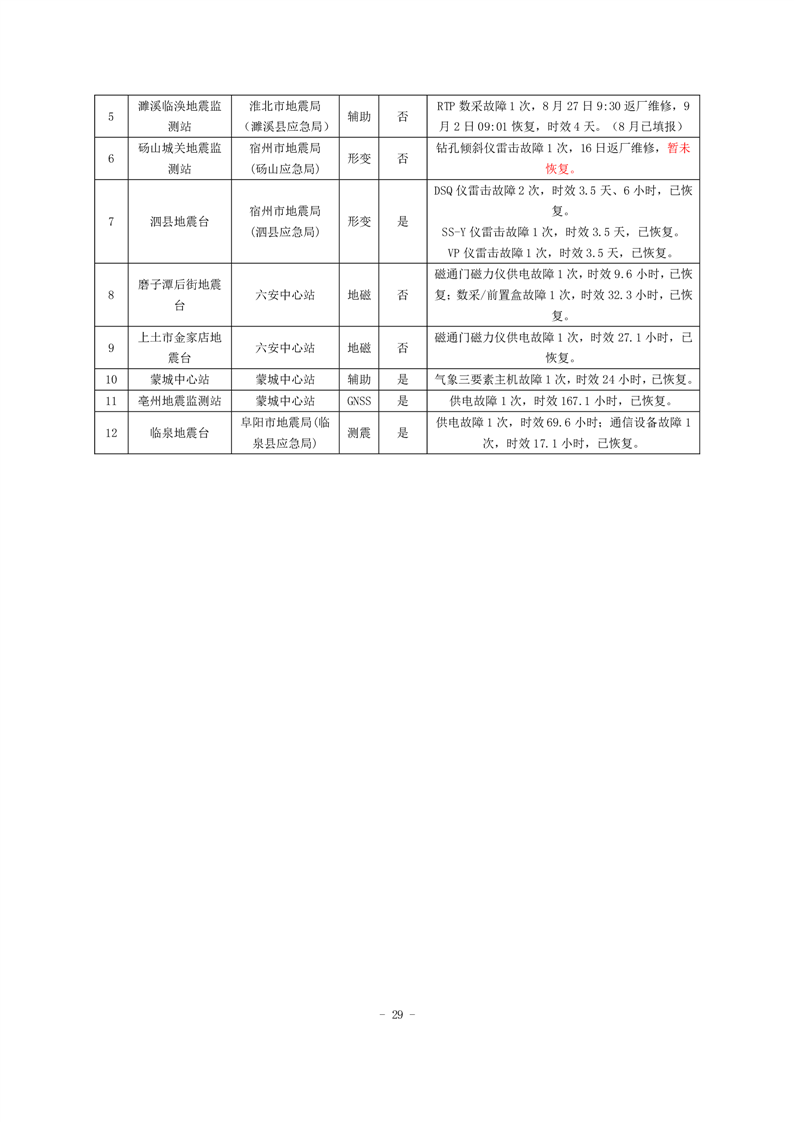
安徽省地震监测站网运行情况通报(2025年09月)
发布日期:2025-10-14 09:08
信息来源:安徽省地震局
作者:市地震局
阅读次数:
【字体:
大
中
小
】
我要纠错
收藏
扫一扫在手机打开当前页
打印本页
关闭窗口